一、产品特点:
1、双向可控硅输出,零电压开启,零电流关断;
2、输入回路与输出回路之间光隔离;
3、输入端-输出端之间隔离耐压2500V;
4、100%负载电流老化试验,通过欧共体CE认证,国际ISO9000认证,国内3C认证。
二、型号说明:

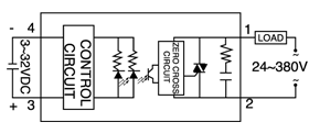
三、技术参数:
|
单 相 交 流 固 态 继 电 器 |
产品型号分类 |
SSR-10DA SSR-25DA SSR-10DA-H SSR-25DA-H SSR-40DA SSR-50DA SSR-40DA-H SSR-50DA-H SSR-60DA SSR-75DA SSR-50DA-H SSR-75DA-H SSR-90DA SSR-90DA-H |
| 控制方式 |
直流控交流(DC-AC) |
 |
| 负载电流 |
10A、25A、40A、50A、60A、75A、90A |
| 负载电压 |
24-380VAC、H:90-480VAC |
| 控制电压 |
3-32VDC |
| 控制电流 |
DC:3-25mA |
| 通态漏电流 |
≤2mA |
| 通态降压 |
≤1.5VAC |
| 断态时间 |
≤10mS |
| 介质耐压 |
2500VAC |
| 绝缘电阻 |
500MΩ/500VDC |
| 环境温度 |
-30℃-+75℃ |
| 安装方式 |
螺栓固定 |
| 工作指示 |
LED |
| 重量 |
132g | |
四、产品应用: SSR系列固态继电器采用阻燃工程塑料外壳,环氧树脂灌封,螺纹引出端接线,具有结构强度高,耐冲击,抗震动性强,输入端驱动电流小可方便的与计算机终端和各种数字程控电路接口,广泛应用在石油化工仪器设备,食品机械,包装机械,纺织机械,数控机床,塑料机械,健身器材,娱乐设施等自动化控制领域。
特别适用于腐蚀、潮湿、防尘、要求防爆等恶劣环境,及频繁开关的场合,是交流接触器更新替代产品。
五、安全注意事项:1、负载电流高于5A时必须使用散热器或安装在具有相应散热效果的金属底板上,并且固态继电器散热底板与安装面之间涂上导热硅脂,40A以上加风扇强冷或水冷。
2、使用在感性负载时,高瞬态电压以及浪涌电流施加与输出端,因此可能导致固态继电器误导通或损坏,通常需要在输出端接入具有特定钳位电压的电压控制器件,如双向稳压二极管或压敏电阻(MOV)。压敏电阻推荐取额定电压的1.6-1.9倍。
3、控制接近最小负载电流的较小负载电流负载时,须在负载上并联一个虚拟负载电阻,以减小输出端漏电流在负载上产生较高的剩余电压。
4、为了避免固态继电器的温升超过允许值,设计应用时应考虑散热效果和安装位置,当两只或多只固态继电器并排安装时,应留有适当的间距。
5、多只固态继电器的输出端之间不得并联使用,以试图增大输出电流。但输出端可以串联使用,以便适用更高的工作电压。
6、当使用多只固态继共用一个控制电源时,输入端即可以串联使用也可以并联使用。
7、容性负载请慎用此件,请选择容性负载专用固态继电器。