MJGU-1□38□□A(交流调压模块)

产品中心

MJGU-1□38□□A(交流调压模块)

MJGU-1□38□□A(交流调压模块)

如果您有任何问题可以联系我们!
联系我们

一、产品概述:
    该模块采用单片设计,内部含有同步信号检测,恒流源锯齿波形式,线形放大器,闭环PI调节器,稳压电源,功率放大及脉冲形成高频脉冲变压器隔离触发,可实现软启动,软停车功能。
    广泛应用于交直流电机调速控温设备,电磁铁震动,调光,焊机,电镀等功率调节场合。
二、型号说明:

三、主要技术指标:
1、额定工作电压: 220VAC、380VAC;
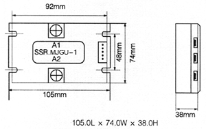
2、输出负载电流: 10A、25A、40A……120A(外形尺寸:105×74×38mm)
                 150A、200A、300A、400A、500A(外形尺寸:150×125×80mm);
3、输出电压变化范围: 0-220VAC、0-380VAC或0-220VDC;
4、调节范围:0-180度;
5、输入控制信号: 0-5VDC、4-20mA或10k电位器。
四、技术参数:








产品名称 MJGU-1□38□□A 接线图
输出电压变化范围 0-380VAC  
输出负载电流 10A、25A、30A、40A、50A、60A、80A、100A、120A
输入控制方式 R:10K电位器
V:0-5VDC L:4-20mA
输出电压 1.0VIN
介质耐压 2500VAC
绝缘电阻 1000MΩ/500VDC
环境温度 -25℃-+75℃
安装方式 螺栓固定
重量 550g

五、输入控制信号接线方式:

六、控制电压Ucon与可控硅输出导通触关系曲线(阻型负载)及波形图:

七、单相交流调压模块/整流调压模块的端子连接说明:
1、单相交流调压模块:A1/K2、A2/L2端为负载交流电源输入输出端,1#、2#端与负载RL电源输入端电压相连(模块内部变压器提供同频电源);
2、单相整流调压模块:A1/K2、C1/K3端为负载交流电源输入输出端,A2/L1、C2/L3端输入负载直流端(注意输出正、负极向)。
八、控制信号方式:
1、5#(+5V)为手动调节电位器提供正控制电压;模块内部产生+5V电压;当3#、4#、5#节控制电位器,手动控制,5#提供电源,当外电路自动控制时,5#悬空;
2、4#(CON)角电压给定输入端,当4#有0-5V的电压信号时,输出负载端在0-180度范围内变化;
3、3#(COM)为内部地,当模块由外电路自动控制时与外电路的地相接。
九、安全注意事项:
1、根据负载功率大小,应选择不同电流余量],功率越大,电流余量越大,一般选择模块的电流容量是负载电流的2-4倍;
2、过压保护:输出端并接续流二极管或压敏电阻,取值为实际负载电压的1.7-1.9倍;
3、过流保护:主回路串接快速熔断器或断路开关,取值为实际负载电流的1.5倍;
4、散热要求:负载10A以上,必须安装散热器,40A以上加风扇强冷或水冷。

点击
隐藏

电话
咨询

0577-62698933
客服热线

电话
咨询

15868071133
客服热线